All in Two Integrated Solar LED Power Street Light with 5 Years Warranty

Customization: Available
After-sales Service: 3 Years
Warranty: 3 Years

Product Description

Product Overview
Model NO.
SSL44
Light Source
LED Lamp
Body Material
Die Cast Aluminum Alloy
Color Temp
3000K~6000K
Power
30W~80W
IP Rating
IP66
Illumination Time
10h
Battery Type
LiFePO4 / Gelled / Lead-Acid
Luminous Eff.
120lm/W
Certification
CE
Product Description
Integrated Solar LED Street Light

Our solar street lights are powered by high-efficiency Photovoltaic panels, generally mounted on the lighting structure or integrated into the pole. The system charges a high-capacity rechargeable battery during the day to power the LED Luminary at night. We offer customized designs for solar street poles and LED capacities to meet specific project requirements.

Key Advantages

  • Easy to install and safe to use
  • Compact and highly efficient
  • Long life with negligible maintenance
  • No power cables or electricity bills
  • Highly corrosion resistant & durable
  • Fully recyclable and non-toxic
Solar Light Components
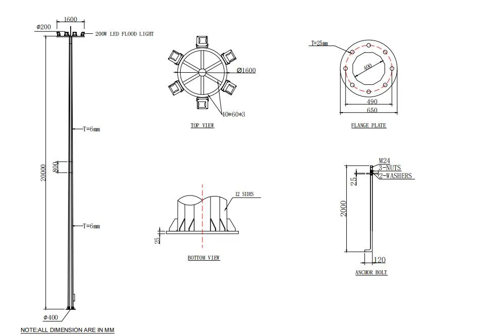
Lighting Pole Specifications
FeatureDetails
Height3-45m
ApplicationsStreet, Highway, Commercial Areas, Parking Lots, Stadiums
ShapeConical, Round, Polygonal (Octagonal, Hexadecagon, etc)
MaterialQ235, Q355 Steel
Surface TreatmentHot dip galvanization (ASTM A123); Optional Powder Coating
Wall Thickness2mm - 30mm
WeldingComplies with AWS D1.1 standard; CO2 or submerged arc methods
Life SpanMore than 25 years (depending on environment)
Professional Design & Styles
Pole Style 1
Pole Style 2
CAD Design
3D Design
Manufacturing Excellence

Welding: Our experienced team ensures high-quality mass production. All welders are certified to ensure structural integrity.

Welding Process
Welding Quality

Galvanizing & Coating: Antiseptic treatment with galvanized layers no less than 86 microns. Powder coating thickness ≥80um for 20+ years of rust protection.

Galvanizing
Powder Coating
Core Components
Solar Panel
Controller
Battery
Packaging & Shipping
Packaging and Stock
Shipping
Frequently Asked Questions
Q1: What is the warranty for the solar street light system? A: We provide a 5-year warranty for our integrated solar LED street light systems, ensuring long-term reliability and performance.
Q2: How long does the battery take to fully charge? A: The standard charging time is approximately 10 hours under sufficient sunlight, providing up to 10 hours of illumination time.
Q3: What materials are used for the lighting poles? A: Our poles are manufactured using high-quality Q235 and Q355 steel, treated with hot-dip galvanization and optional powder coating for maximum durability.
Q4: Are the lights suitable for harsh weather conditions? A: Yes, the lights have an IP66 rating, making them highly resistant to dust and heavy rain. They are also designed to withstand significant wind loads.
Q5: Can the pole height and design be customized? A: Absolutely. We offer customized CAD and 3D physical designs for poles ranging from 3m to 45m in various shapes like conical, round, or polygonal.
Q6: What certifications do your products hold? A: Our products are manufactured under ISO9001 and hold CE, RoHS, IEC, and FCC approvals among other international standards.

Related Products